● Suitable for distribution system in group 2 medical location
● Using Q235A High Quality Cold Rolled Steel Plate
● Louver type heat dissipation fan
● Various installation types
● IP31
01 Dimension(Unit:mm)



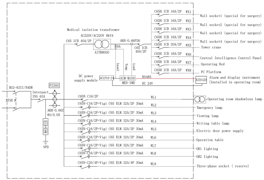
02 Diagram


03 Network

| Technical parameters | GGF-IXG | GGF-IXQ | GGF-OXF | GGF-OXG | GGF-OXQ | GGF-OXF |
| Rated voltage | 220V AC | 380V/220V AC | ||||
| Rated Capacity | 3.15/5/6.3/10KVA | --- | 3.15/5/6.3/10KVA | --- | ||
| Rated frequency | 50/60HZ | |||||
| Distribution circuit | IT System:4 or 5 AC220V(can be customized) | IT System:8 AC220V(can be customized) | ||||
| ---- | TN-S Systems: | |||||
| Protection level | IP31 | IP34D | IP31 | IP34D | ||
| Installation | floor-standing | Embedded | floor-standing | Embedded | ||
| Inlet and outlet | Bottom | Both bottom and top have access lines | Bottom Inlet and bottom outlet | Both bottom and top have access lines | ||