● Remote monitoring
● Mute button
● Test button
● Auxiliary power supply: DC24V
● RS485(MODBUS-RTU)


02 Installation

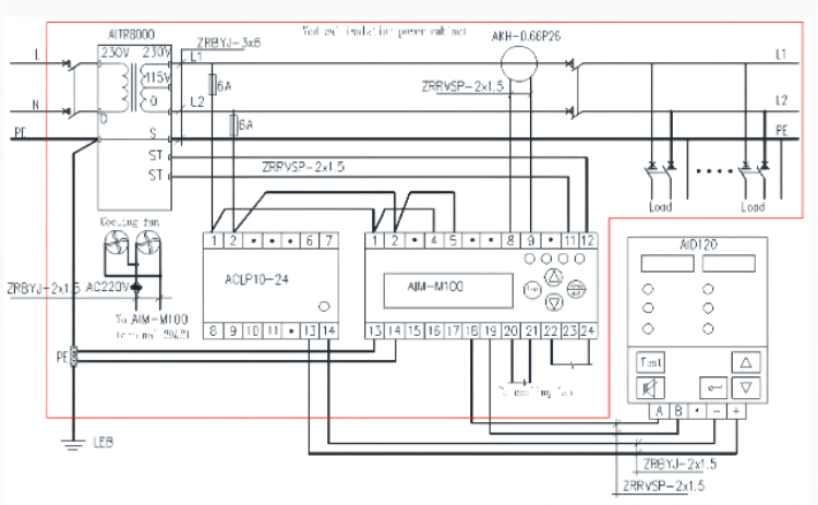
03 Wiring


|
Parameters/Model
|
AID10
|
AID120
|
AID150
|
|
|
Auxiliary power
|
Voltage
|
DC 24V
|
||
|
Power consumption
|
< 0.6W
|
|||
|
Insulation resistance measurement range
|
—
|
0—999kΩ
|
— | |
|
Insulation alarm value range
|
50—999kΩ
|
|||
|
Transformer load rate display
|
—
|
Percentage display
|
— | |
|
Load current alarm settings
|
14A、18A、22A、28A、35A、45A
|
|||
|
Temperature alarm value range
|
0~+200℃
|
|||
|
Alarm
|
Audible and visible alarm
|
|||
|
Alarm Type
|
Insulation fault, overload, over-temperature, equipment failure
|
|||
|
Communication
|
RS485 interface, MODBUS-RTU protocol
|
|||
|
Display method
|
— |
LED Display
|
128*32 LCD
|
|