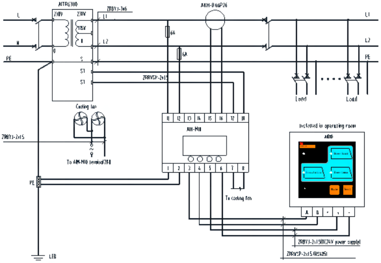
● Insulation monitoring for medical IT systems
● Load and temperature monitoring of isolation transformer
● Device disconnection monitoring



|
AUX Power |
Voltage |
DC 18-36V |
Temperature monitoring |
Thermal resistor |
2 Pt100 |
|
Power consumption |
≤3VA |
Measuring range |
-50~+200℃ |
||
|
Insulation monitoring |
Resistance measuring range |
10-999kΩ |
Alarm value range |
0~+200℃ |
|
|
Response value |
50-999kΩ |
Alarm output |
Output mode |
2 Relays |
|
|
Relative uncertainty |
±10% |
Contact rating |
AC 250V/3A DC 30V/3A |
||
|
Response time |
≤3s |
Environment |
Operating temperature |
-10~+55℃ |
|
|
Permissible system leakage capacitance Ce |
≤5uF |
Transport temperature |
-25~+70℃ |
||
|
Measuring voltage Um |
≤12V |
Storage temperature |
-25~+70℃ |
||
|
Measuring current Im |
≤50uA |
Relative humidity |
5%-95%,No condensation |
||
|
Impedance Zi |
≥200kΩ |
Altitude |
≤2500m |
||
|
Internal DC resistance Ri |
≥240kΩ |
IP degree |
IP30 |
||
|
Permissible extraneous DC voltage Ufg |
≤DC280V |
Rated impulse voltage / pollution degree |
4KV/Ⅲ |
||
|
Load current monitoring |
Measuring Value |
2.1-50A |
EMC |
IEC 61326-2-4 |
|
|
Alarm Value |
5-50A |
Communication |
CAN |
||
|
Measuring accuracy |
±5% |
RS485(Modbus-RTU) |
|||